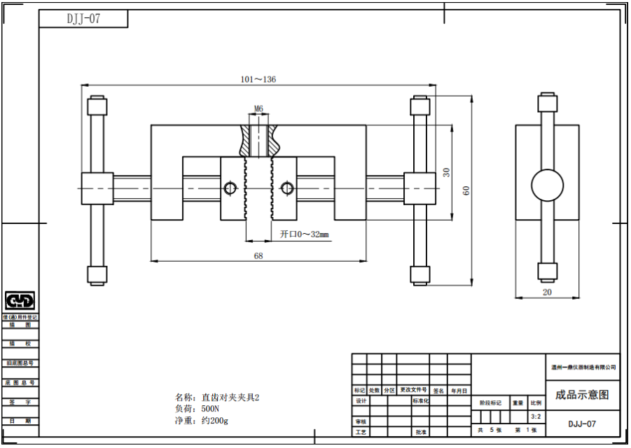
Straight tooth clamp

Contact Now
Straight tooth clamp
Feedback